2017-06-06

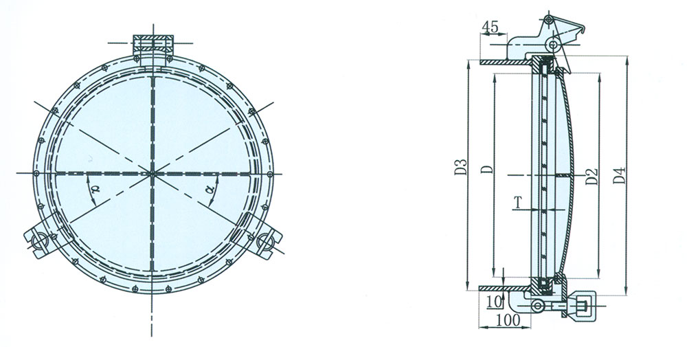
| 光尺寸D | D1 | D2 | D3 | D4 | α | 紧固件数量 | 玻璃厚度T | 围壁开口尺寸 | 螺栓数量 | |
| 风暴盖 | 窗框 | |||||||||
| 200 | 222 | 204 | 250 | 280 | 45° | 2 | 3 | 10 | 253 | 12 |
| 250 | 272 | 254 | 305 | 330 | 45° | 2 | 3 | 10 | 308 | 14 |
| 300 | 322 | 304 | 360 | 380 | 31° | 3 | 3 | 12 | 363 | 16 |
| 350 | 372 | 354 | 410 | 430 | 32。 | 3 | 3 | 12 | 413 | 18 |
| 400 | 422 | 404 | 460 | 480 | 31° | 3 | 3 | 12 | 463 | 20 |
